Wir bringen die richtigen Werte auf den Punkt
Unser Ziel ist, Ihnen eine wirtschaftliche und betriebssichere Druckluftanlage bei optimaler Ausnutzung der Energie zu empfehlen. Grundlage unserer Projektierung ist die exakte Bedarfsermittlung. Sie basiert auf einem Verbrauchs- und Laufzeitprofil hinsichtlich Druckluftvolumen, Druckbedarf sowie Druckluftqualität und wird im relevanten Umfeld Ihres Unternehmens durchgeführt. Steht der Bedarf fest, erfolgt im zweiten Schritt die konkrete Planung Ihres Projektes.
Alles läuft nach Plan
Bei der Bedarfsermittlung vor Ort werden zahlreiche Faktoren einbezogen, u. a. ein eventueller künftiger Mehr- oder Minderverbrauch sowie Nacht- und Wochenendschichten. Wir prüfen, ob eine redundante Druckluftversorgung nötig ist und eine übergeordnete Steuerung zum Einsatz kommen soll. Eine wichtige Rolle spielen auch betriebliche Gegebenheiten wie Aufstellungsort, Schmutzanfall und Wartungsaspekte.
Bei vorhandenen Anlagen haben sich Messungen über einen Zeitraum von 10 bis 14 Tagen bewährt. Übersichtliche Diagramme stellen den Verbrauch mit Mindest- und Spitzenbedarf ebenso dar wie Leerlaufzeiten und Leckagen. Wir ermitteln zudem die Energiekosten – und ob eine Wärmerückgewinnung für Sie sinnvoll ist.
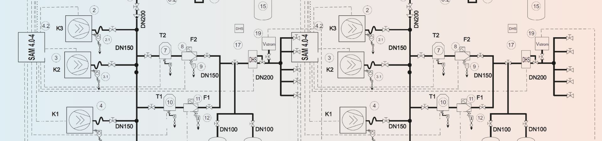
Wir berücksichtigen sämtliche für Sie erfolgsrelevanten Themenkomplexe:
- Bedarfsgerechte, energetisch optimierte Dimensionierung des Kompressors
- Dimensionierung des erforderlichen Pufferspeichers (Druckluftkessel)
- Auswahl eines geeigneten Drucklufttrockners (Kälte- oder Adsorbtionstrockner) und Filtersystems
- Druckluftverrohrung
- Sammlung und Aufbereitung des Kondensats
- Einplanung von Wärmerückgewinnungssystemen sowie der Zu- und Abluft
- Vorstellung von Fördermöglichkeiten (z.B. BaFa)
Unser kompetentes Vertriebsteam steht selbstverständlich gerne unverbindlich für weitere Informationen und maßgeschneiderte Lösungen zur Verfügung. Planen Sie mit uns gemeinsam Ihre Erweiterung, Neuanschaffung, Wartung, Reparatur oder Umstieg.
Produktivität steigern mit leistungsstarken Kompressoren.
Wir machen mächtig Druck für Sie!